在線咨詢咨詢熱線:400-0755-965
咨詢客服,我們快速為您報價,或者提供技術支持!
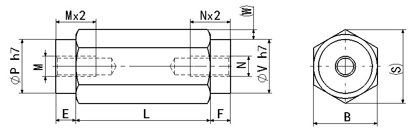
請按照選型步驟①-⑦選擇型式和參數后進行訂購。
訂貨舉例:型式(①Type.②B)-③L-④M-⑤N-⑥F-⑦E
STOS8-L15-M3-N4-F2-E2
| Type | 材質 | 硬度 | 表面處理 | |
| STOS | SUS303 | / | / | |
| STOQN | 1215環保鐵 | / | 無電解鍍鎳 | |
|
STOS STOQN |
B |
L 指定單位1mm |
粗牙螺紋 M 選擇 N 選擇 |
F 指定單位1mm |
E 指定單位1mm |
P | V | W | (S) | |
| 8 | 15~250 | 3、4 | 2~4 | 2~4 | 6 | 6 | 1 | 9.2 | ||
| 10 | 15~350 | 4、5 | 2~5 | 2~5 | 8 | 8 | 1 | 11.5 | ||
| 12 | 20~400 | 5、6 | 2~6 | 2~6 | 10 | 10 | 1 | 13.9 | ||
| 13 | 10 | 10 | 1.5 | 15 | ||||||
| 14 | 25~400 | 6、8 | 2~8 | 2~8 | 12 | 12 | 1 | 16.2 | ||
| 17 | 12 | 12 | 2.5 |
19.6 |
||||||

掃一掃,關注我們