在線咨詢咨詢熱線:400-0755-965
咨詢客服,我們快速為您報價,或者提供技術支持!
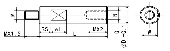
請按照選型步驟①-⑥選擇型式和參數后進行訂購。
訂貨舉例:型式(①Type.②D)-③L-④BS-⑤M-⑥N
SEVS6-L15-BS1-M3-N4
| Type | 材質 | 表面處理 | |
| 帶扳手槽 | 不帶扳手槽 | ||
| SEVS | SECS | SUS303 | / |
| SEVQN | SECQN | 1215環保鐵 | 無電解鍍鎳 |
| SEVH | SECH | H59 | / |
| Type | D |
L 指定單位1mm |
BS 指定單位1mm |
粗牙螺紋 M 選擇 N 選擇 |
W | e1 | |
| 帶扳手槽 | 不帶扳手槽 | ||||||
|
SEVS SEVQN SEVH |
SECS SECQN SECH |
6 | 15~50 | 0~42 | 3、4 | 5 | 8 |
| 8 | 20-150 | 0~142 | 3、4、5 | 7 | |||
| 10 | 20~350 | 0~342 | 4、5、6 | 8 | |||
| 12 | 25~400 | 0~390 | 5、6、8 | 10 | 10 | ||
| 15 | 30~400 | 6、8、10 | 13 | ||||
| 20 | 35-400 | 6、8、10、12 |
17 |
||||

掃一掃,關注我們