在線咨詢咨詢熱線:400-0755-965
咨詢客服,我們快速為您報價,或者提供技術支持!
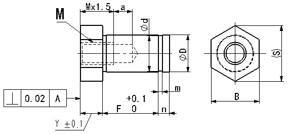
· 請按照選型步驟①-④選擇型式和參數后進行訂購。
訂貨舉例:型式(①Type.②D)-③Y-④F
AXXS10-Y25-F18
|
型號 |
材質 |
表面處理 |
|
AXXTY |
S45C |
四氧化三鐵保護膜 |
|
AXXTN |
無電解鍍鎳 |
|
|
AXXS |
SUS303 |
- |
·
|
型號 |
D(g6) |
指定單位1mm |
M |
a |
d |
m |
n |
B |
(S) |
|||
|
Y |
F |
基準尺寸 |
公差 |
|||||||||
|
|
6 |
-0.004 |
2~60 |
5~100 |
M3 |
5 |
5 |
+0.075 |
0.7 |
2 |
8 |
9.1 |
|
|
8 |
-0.005 |
M4 |
7 |
+0.09 |
0.9 |
3 |
10 |
11.4 |
|||
|
AXXTY |
10 |
M6 |
9.6 |
0 |
1.15 |
13 |
14.8 |
|||||
|
AXXTN |
12 |
-0.006 |
10~100 |
M8 |
11.5 |
0 |
4 |
14 |
16.0 |
|||
|
AXXS |
15 |
M10 |
14.3 |
17 |
19.4 |
|||||||
|
|
20 |
-0.007 |
4~60 |
M12 |
7 |
19 |
0 |
1.35 |
24 |
27.4 |
||
·

掃一掃,關注我們