在線咨詢咨詢熱線:400-0755-965
咨詢客服,我們快速為您報價,或者提供技術支持!
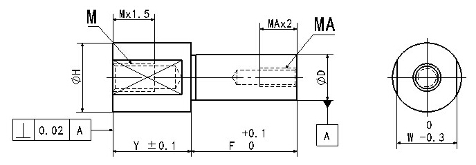
請按照選型步驟①-⑤選擇型式和參數后進行訂購。
訂貨舉例:型式(①Type.②D)-③Y-④F-⑤MA
AXYS10-Y25-F18-MA6
| 型號 | 材質 | 表面處理 |
| AXYTY | S45C | 四氧化三鐵保護膜 |
| AXYTN | 無電解鍍鎳 | |
| AXYS | SUS303 | - |
| 型號 | D(g6) | 指定單位1mm |
MA粗牙螺紋 選擇 |
M 粗牙螺紋 |
H | W | |||
| Y | F | ||||||||
| 6 |
-0.004 -0.012 |
2~60 | 5~100 | 3 | M3 | 10 | 8 | ||
| 8 |
-0.005 -0.014 |
4 | M4 | 12 | 10 | ||||
| AXYTY | 10 | 4、5、6 | M6 | 15 | 13 | ||||
| AXYTN | 12 |
-0.006 -0.017 |
10~100 | 5、6、8 | M8 | 17 | 14 | ||
| AXYS | 15 | 6、8、10 | M10 | 20 | 17 | ||||
| 20 |
-0.007 -0.02 |
4~60 | 6、8、10、12 | M12 | 26 |
24 |
|||

掃一掃,關注我們