在線咨詢咨詢熱線:400-0755-965
咨詢客服,我們快速為您報價,或者提供技術支持!
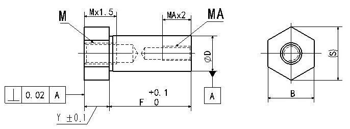
請按照選型步驟①-⑤選擇型式和參數后進行訂購。
訂貨舉例:型式(①Type.②D)-③Y-④F-⑤MA
AXLS10-Y25-F18-MA6
| 型號 | 材質 | 表面處理 |
| AXLTY | S45C | 四氧化三鐵保護膜 |
| AXLTN | 無電解鍍鎳 | |
| AXLS | SUS303 | - |
| 型號 | D(g6) | 指定單位1mm |
MA粗牙螺紋 選擇 |
M 粗牙螺紋 |
B | (S) | |||
| Y | F | ||||||||
| 6 |
-0.004 -0.012 |
2~60 | 5~100 | 3 | M3 | 8 | 9.1 | ||
| AXLTY | 8 |
-0.005 -0.014 |
4 | M4 | 10 | 11.4 | |||
| AXLTN | 10 | 4、5、6 | M6 | 13 | 14.8 | ||||
| AXLS | 12 |
-0.006 -0.017 |
10~100 | 5、6、8 | M8 | 14 | 16.0 | ||
| 15 | 6、8、10 | M10 | 17 | 19.4 | |||||
| 20 |
-0.007 -0.02 |
4~60 | 6、8、10、12 | M12 | 24 |
27.4 |
|||

掃一掃,關注我們