在線咨詢咨詢熱線:400-0755-965
咨詢客服,我們快速為您報價,或者提供技術支持!
· 請按照選型步驟①-⑥選擇型式和參數后進行訂購。
訂貨舉例:型式(①Type.②D)-③Y-④F-⑤T-⑥MA
AXAOS10-Y25-F18-T5-MA6
|
型號 |
材質 |
表面處理 |
|
AXAOTY |
S45C |
四氧化三鐵保護膜 |
|
AXAOTN |
無電解鍍鎳 |
|
|
AXAOS |
SUS303 |
- |
·
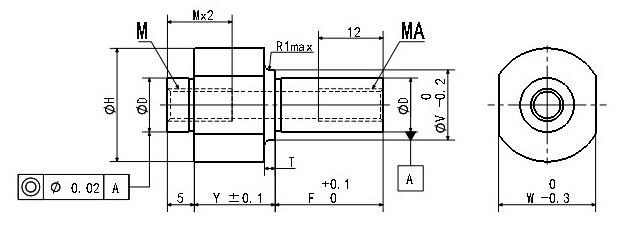
Y≥17時,扳手槽為15,Y<17時,扳手槽銑穿
|
型號 |
D(g6) |
指定單位1mm |
MA粗牙螺紋 |
M |
V |
H |
W |
|||
|
Y |
F |
T |
||||||||
|
|
6 |
-0.004 |
4~60 |
5~75 |
1、3、5 |
3 |
M3 |
8 |
14 |
12 |
|
AXAOTY |
8 |
-0.005 |
4 |
M4 |
10 |
17 |
14 |
|||
|
AXAOTN |
10 |
2、5、8 |
4、5、6 |
M6 |
13 |
21 |
18 |
|||
|
AXAOS |
12 |
-0.006 |
10~100 |
5、6、8 |
M8 |
15 |
24 |
21 |
||
|
|
15 |
6、8、10 |
18 |
28 |
25 |
|||||
|
|
20 |
-0.007 |
24 |
36 |
32 |
|||||
|
|
25 |
8、10、12 |
29 |
43 |
38 |
|||||
|
|
30 |
8、10、12、16 |
34 |
50 |
44 |
|||||
·

掃一掃,關注我們