在線咨詢咨詢熱線:400-0755-965
咨詢客服,我們快速為您報價,或者提供技術支持!
· 請按照選型步驟①-③選擇型式和參數后進行訂購。
訂貨舉例:型式(①Type.②D)-③L
AHQTYF3-L15
|
Type |
相當材質 |
硬度 |
表面處理 |
附件 |
|
|
L尺寸固定型 |
L尺寸指定型 |
||||
|
AHQTHRY |
AHQTHRYF |
S45C |
40~45HRC |
四氧化三鐵保護膜 |
2個扣環 |
|
AHQSS |
AHQSSF |
SUS304 |
/ |
/ |
|
|
/ |
AHQCHRF |
SUS440C |
45~50HRC |
||
·
|
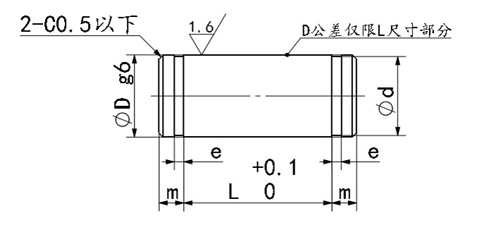
Type |
D公差(g6) |
L |
e |
m |
d |
附屬扣環 |
||||
|
|
容差 |
|
容差 |
形狀 |
JIS公稱規格* |
|||||
|
|
3 |
-0.002 |
5.0~50.0 |
0.5 |
+0.05 |
2 |
2 |
+0.06 |
E型 |
d2 |
|
|
4 |
-0.004 |
||||||||
|
|
0.7 |
+0.1 |
3 |
|||||||
|
|
5 |
10.0~60.0 |
4 |
+0.075 |
d3 |
|||||
|
|
d4 |
|||||||||
|
AHQTHRYF |
6 |
10.0~100.0 |
5 |
d5 |
||||||
|
AHQSSF |
8 |
-0.005 |
0.9 |
3 |
7 |
+0.09 |
d7 |
|||
|
AHQCHRF |
C型 |
公稱直徑10 |
||||||||
|
|
-0.00 |
|||||||||
|
|
10 |
15.0~100.0 |
1.15 |
+0.14 |
9.6 |
公稱直徑12 |
||||
|
|
12 |
-0.006 |
4 |
11.5 |
-0.00 |
|||||
|
|
15 |
25.0~100.0 |
14 |
公稱直徑15 |
||||||
|
|
16 |
30.0~100.0 |
15 |
公稱直徑16 |
||||||
|
|
20 |
-0.007 |
1.35 |
19 |
-0.00 |
公稱直徑20 |
||||
|
|
25 |
24 |
公稱直徑25 |
|||||||
·

掃一掃,關注我們