在線咨詢咨詢熱線:400-0755-965
咨詢客服,我們快速為您報價,或者提供技術支持!
· 請按照選型步驟①-③選擇型式和參數后進行訂購。
訂貨舉例:型式(①Type.②D)-③L
AHKTHRY3-L10
|
Type |
相當材質 |
硬度 |
表面處理 |
附件 |
||
|
L尺寸固定型 |
L尺寸指定型 |
|||||
|
AHKTHRY |
AHKTHRYF |
S45C |
40~45HRC |
四氧化三鐵保護膜 |
1個開口銷 |
SUS304 |
|
/ |
AHKSSF |
SUS304 |
/ |
/ |
||
|
AHKCHR |
SUS440C |
45~50HRC |
||||
·
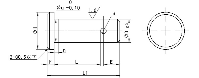
|
Type |
D公差(g6) |
L選擇 |
L1 |
E |
(u) |
(n) |
d |
F |
H |
附件開口銷 |
|
|
|
3 |
-0.002 |
10 12 14 15 16 18 20 |
L+4.4 |
2.5 |
2.9 |
1.5 |
0.8 |
1.5 |
5.5 |
d0.7-L8 |
|
4 |
-0.004 |
L+4.5 |
3.9 |
1 |
6.5 |
d0.9-L10 |
|||||
|
5 |
L+5.6 |
3.5 |
4.9 |
1.2 |
8 |
d1.0-L10 |
|||||
|
6 |
15 16 18 20 22 24 25 30 |
L+5.8 |
5.8 |
1.6 |
9 |
d1.4-L10 |
|||||
|
8 |
-0.005 |
18 20 22 24 25 30 35 40 45 50 |
L+7 |
4 |
7.8 |
2 |
2 |
12 |
d1.8-L12 |
||
|
10 |
L+8.25 |
5 |
9.8 |
2.5 |
14 |
d2.3-L15 |
|||||
|
12 |
-0.006 |
22 24 25 30 35 40 45 50 |
L+10.6 |
6 |
11.8 |
3.2 |
3 |
17 |
d2.9-L20 |
||

掃一掃,關注我們