在線咨詢咨詢熱線:400-0755-965
咨詢客服,我們快速為您報價,或者提供技術支持!
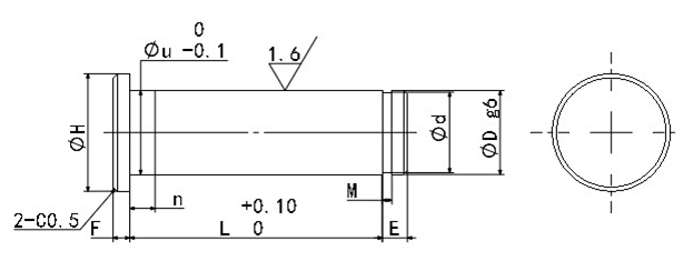
· 請按照選型步驟①-③選擇型式和參數后進行訂購。
訂貨舉例:型式(①Type.②D)-③L
AHITHRYF3-L5
|
Type |
相當材質 |
硬度 |
表面處理 |
附件 |
||
|
L尺寸固定型 |
L尺寸指定型 |
|||||
|
AHITHRY |
AHITHRYF |
S45C |
40~45HRC |
四氧化三鐵保護膜 |
1個扣環 |
彈簧鋼 |
|
AHISS |
AHISSF |
SUS304 |
/ |
/ |
SUS304 |
|
|
AHICHR |
AHICHRF |
SUS440C |
45~50HRC |
|||
·
|
Type |
D公差(g6) |
L |
M |
E |
(u) |
(n) |
d |
F |
H |
附屬扣環 |
||||
|
|
容差 |
|
容差 |
形狀 |
JIS公稱規格* |
|||||||||
|
|
3 |
-0.002 |
5.0~50.0 |
0.5 |
+0.05 |
2 |
2.9 |
1.5 |
2 |
+0.06 |
1.5 |
5.5 |
E型 |
d2 |
|
4 |
-0.004 |
d3 |
||||||||||||
|
5 |
10.0~60.0 |
0.7 |
+0.1 |
3.9 |
3 |
6.5 |
d4 |
|||||||
|
6 |
10.0~100.0 |
4.9 |
4 |
+0.075 |
8 |
d5 |
||||||||
|
8 |
-0.005 |
5.8 |
5 |
9 |
d5 |
|||||||||
|
0.9 |
3 |
7.8 |
7 |
+0.09 |
2 |
12 |
C型 |
d7 |
||||||
|
10 |
15.0~100.0 |
|||||||||||||
|
1.15 |
+0.14 |
9.8 |
9.6 |
-0.00 |
14 |
d10 |
||||||||
|
12 |
-0.006 |
|||||||||||||
|
15 |
20.0~100.0 |
11.8 |
11.5 |
-0.00 |
3 |
17 |
d12 |
|||||||
|
16 |
20.0~100.0 |
14.8 |
14.3 |
20 |
d15 |
|||||||||
|
20 |
-0.007 |
15.8 |
15.2 |
21 |
d16 |
|||||||||
|
25 |
1.35 |
19.8 |
19 |
-0.00 |
4 |
26 |
d20 |
|||||||
|
24.8 |
23.9 |
31 |
d25 |
|||||||||||
·

掃一掃,關注我們