在線咨詢咨詢熱線:400-0755-965
咨詢客服,我們快速為您報價,或者提供技術支持!
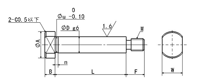
· 請按照選型步驟①-③選擇型式和參數后進行訂購。
訂貨舉例:型式(①Type.②D)-③L
|
Type |
相當材質 |
硬度 |
表面處理 |
附件 |
|||
|
標準螺帽 |
標準螺帽 |
U型螺帽 |
標準螺帽 |
防松螺帽 |
|||
|
AHTTY |
AHTTYF |
AHTTYFU |
S45C |
/ |
四氧化三鐵保護膜 |
SUS304 |
SUS304 |
|
AHTTHRY |
AHTTHRYF |
AHTTHRYFU |
40~45HRC |
||||
|
AHTSS |
AHTSSF |
AHTSSFU |
SUS304 |
/ |
/ |
||
|
AHTCHR |
AHTCHRF |
AHTCHRFU |
SUS440C |
45~50HRC |
|||
·
|
Type |
D公差(g6) |
L |
A |
W |
B |
F |
(u) |
(e) |
M |
附件螺帽 |
|
|
粗牙螺紋 |
|||||||||||
|
標準螺帽 |
4 |
-0.004 |
5.0~50.0 |
7 |
5 |
3 |
6 |
3.9 |
1.5 |
M3 |
M3X0.5 |
|
5 |
5.0~60.0 |
9 |
7 |
4 |
4.9 |
M4 |
M4X0.7 |
||||
|
6 |
10.0~100.0 |
10 |
8 |
5 |
9 |
5.8 |
M5 |
M5X0.8 |
|||
|
8 |
-0.005 |
13 |
10 |
7.8 |
M6 |
M6X1.0 |
|||||
|
10 |
16 |
13 |
12 |
9.8 |
M8 |
M8X1.25 |
|||||
|
12 |
-0.006 |
15.0~100.0 |
18 |
14 |
16 |
12 |
M10 |
M10X1.5 |
|||
|
15 |
20.0~100.0 |
24 |
21 |
18 |
15 |
M12 |
M12X1.75 |
||||
|
16 |
16 |
||||||||||
|
20 |
-0.007 |
27 |
23 |
20 |
M16 |
M16X2.0 |
|||||
|
25 |
30 |
27 |
25 |
||||||||

掃一掃,關注我們