在線咨詢咨詢熱線:400-0755-965
咨詢客服,我們快速為您報價,或者提供技術支持!
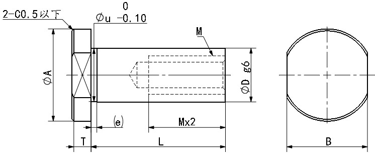
· 請按照選型步驟①-③選擇型式和參數后進行訂購。
訂貨舉例:型式(①Type.②D)-③L
AHHTY6-15
|
Type |
相當材質 |
硬度 |
表面處理 |
|
AHHTHRY |
S45C |
40~45HRC |
四氧化三鐵保護膜 |
|
AHHSS |
SUS304 |
/ |
/ |
|
AHHCHR |
SUS440C |
45~50HRC |
·
|
Type |
D公差(g6) |
L |
A |
B |
(u) |
T |
(e) |
M |
|
|
AHHTHRY |
6 |
-0.004 |
15.0~100.0 |
10 |
8 |
5.8 |
5 |
1.5 |
M3 |
|
8 |
-0.005 |
13 |
10 |
7.8 |
M5 |
||||
|
10 |
20.0~100.0 |
16 |
13 |
9.8 |
M6 |
||||
|
12 |
-0.006 |
18 |
14 |
11.8 |
|||||
|
15 |
25.0~100.0 |
24 |
21 |
14.8 |
M8 |
||||
|
16 |
30.0~100.0 |
15.8 |
M10 |
||||||
|
20 |
-0.007 |
35.0~100.0 |
27 |
23 |
19.8 |
M12 |
|||
|
25 |
30 |
27 |
24.8 |
M16 |
|||||

掃一掃,關注我們