在線咨詢咨詢熱線:400-0755-965
咨詢客服,我們快速為您報價,或者提供技術支持!
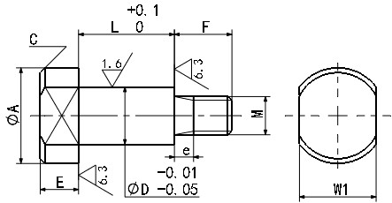
請按照選型步驟①-⑥選擇型式和參數后進行訂購。
訂貨舉例:型式(①Type.②D)-③L-④A-⑤E-⑥F
CATY4-L6-A8-E4-F3
| 一字槽 | 內六角孔 | 兩平面 | 外六角 | 相當材質 | 硬度 | 表面處理 |
| CATYF | CBTYF | CUTYF | CWTYF | S45C | / | 四氧化三鐵保護膜 |
| CASF | CBSF | CUSF | CWSF | SUS303 | / | / |
| D |
L 指定單位0.1mm |
A選擇 |
E 指定單位0.1mm |
F 指定單位1mm |
M 粗牙螺紋 |
| 4 |
5.0~20.0 |
6.8 | 2.0~4.0 | 3~4 | 2.6×0.45 |
| 5 | 8 10 | 3~6 | 3×0.5 | ||
| 6 | 10 12 | 2.5~4.5 | 4~8 | 4×0.7 | |
| 8 | 12 16 | 5~10 | 5×0.8 | ||
| 10 | 16 18 20 | 3.0~5.0 | 6~12 | 6×1.0 | |
| 12 | 18 20 22 24 | 8~12 | 8×1.25 | ||
| 13 | |||||
| 15 | 20 22 24 | 10~15 | 10×1.5 | ||

掃一掃,關注我們