在線咨詢咨詢熱線:400-0755-965
咨詢客服,我們快速為您報價,或者提供技術支持!
| 型號 | 型號 | 材質 | 表面處理 | 熱處理 |
| 圓型 | 多棱型 | |||
| JRTJRY | JRYJRY | SUJ2 | 四氧化三鐵保護膜 | HRC50-55 |
| JRTJR | JRYJR | / | ||
| JRTJRN | JRYJRN | 無電解鍍鎳 |
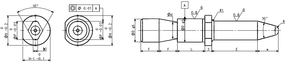
| 型式 |
P 指定單位0.1mm |
E 指定單位1mm(E≤Px4) |
L 指定單位1mm |
F選擇 | d | H | R | |||
| 圓型 | 多棱型 | Dg6 | ||||||||
|
JRTJRY JRTJR JRTJRN |
JRYJRY JRYJR JRYJRN |
6 |
-0.004 -0.002 |
3.0-7.0 | 3-28 | 5-15 | 6、8 | 4 | 9 | 1 |
| 1 | ||||||||||
| 8 |
-0.005 -0.014 |
3.0-9.0 | 3-30 | 5-20 | 5 | 11 | 1.5 | |||
| 1.5 | ||||||||||
| 10 | 4.0-11.0 | 3-40 | 7 | 13 | 2 | |||||
| 2 | ||||||||||
| 12 |
-0.006 -0.017 |
6.0-13.0 | 3-50 | 10-25 | 6、8、10 | 9 | 15 | 3 | ||
| 3 | ||||||||||
| 16 | 10.0-17.0 | 5-50 | 13 | 19 | 4 | |||||
| P | (W) |
| 3.0-4.9 | 1 |
| 5.0-8.9 | 2 |
| 9.0-11.9 | 3 |
| 12.0-13.9 | 4 |
| 14.0-17.0 |
5 |

掃一掃,關注我們