在線咨詢咨詢熱線:400-0755-965
咨詢客服,我們快速為您報價,或者提供技術支持!
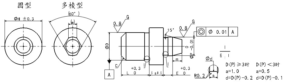
請按照選型步驟①-⑥選擇型式和參數后進行訂購。
訂貨舉例:型式(①Type.②D公差.③D)-④P-⑤L-⑥E
JHUKHRM2-P1.5-L2-E2
JHVKHRP2-P1.5-L2-E2
| Type | 材質 | 表面處理 | 淬火硬度 | |
| 圓型 | 多棱型 | |||
| JHUKR | JHVKR | SKS3 | / | 硬度50-55HRC |
| JHUKRG | JHVKRG | SKS3 | 鍍硬鉻 |
硬度50-55HRC 鍍層硬度750HV |
| JHUS | JHVS | SUS303 | / | / |
| JHUCR | JHVCR | SUS440C | / | 硬度53HRC |
| Type | D公差 | D |
P 指定單位0.01mm |
L 指定單位1mm |
E 指定單位0.1mm |
m | H | (W) | C | |
|
圓型 JHUKR JHUKRG JHUS JHUCR |
多棱型 適用于D≥3 JHVKR JHVKRG JHVS JHVCR |
M P G H |
2 | 1.50-2.00 | 2-4 | 2.0-10.0 | 0.5 | 6 | / | 0.5 |
| 3 | 2.00-4.00 | 3-6 | 1 | 6 | 1 | 0.5 | ||||
| 4 | 2.00-5.00 | 4-8 | 1 | 6 | 1.2 | 1 | ||||
| 5 | 3.00-6.00 | 5-10 | 2 | 8 | 1.5 | 1 | ||||
| 6 | 4.00-7.00 | 6-12 | 2.0-12.0 | 2 | 8 | 1.8 | 1 | |||
| 8 | 5.00-9.00 | 8-16 | 3.0-15.0 | 3 | 11 | 2.2 | 1.5 | |||
| 10 | 7.00-11.00 | 10-20 | 3.0-20.0 | 3 | 13 | 3 | 2 | |||
| 12 | 7.00-12.00 | 12-24 | 3 | 15 | 3.2 | 2 | ||||
| 13 | 8.00-13.00 | 13-26 | 5.0-20.0 | 4 | 16 | 3.5 | 2 | |||
| 16 | 13.00-16.00 | 16-32 | 4 | 19 | 4 | 3 | ||||
| 20 | 16.00-20.00 | 20-40 | 5 | 23 | 5.5 | 3 | ||||
| D或P | 公差選擇 | ||||
| M | P | G | H | S | |
| m6 | p6 | g6 | h7 | / | |
| 2.00-3.00 |
+0.008
+0.002
|
+0.012
+0.006
|
-0.002
-0.008
|
0
-0.010
|
0
-0.01
|
| 3.01-6.00 |
+0.012
+0.004
|
+0.02
+0.012
|
-0.004
-0.012
|
0
-0.012
|
|
| 6.01-10.00 |
+0.015
+0.006
|
+0.024
+0.015
|
-0.005
-0.014
|
0
-0.015
|
|
| 10.01-18.00 |
+0.018
+0.007
|
+0.029
+0.018
|
-0.006
-0.017
|
0
-0.018
|
|
| 18.01-30.00 |
+0.021
+0.008
|
+0.035
+0.022
|
-0.007
-0.020
|
0
-0.021
|
|

掃一掃,關注我們