在線咨詢咨詢熱線:400-0755-965
咨詢客服,我們快速為您報價,或者提供技術支持!
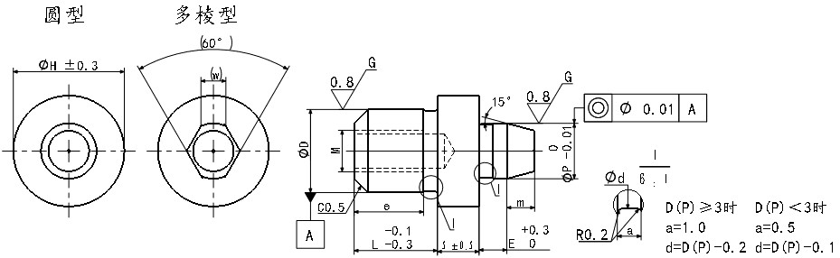
請按照選型步驟①-⑥選擇型式和參數后進行訂購。
訂貨舉例:型式(①Type.②D公差.③D)-④P-⑤L-⑥E
JHQKHRM6-P3-L8-E3
JHWKHRP6-P3-L8-E3
| Type | 材質 | 表面處理 | 淬火硬度 | |
| 圓型 | 多棱型 | |||
| JHQKR | JHWKR | SKS3 | / | 硬度50-55HRC |
| JHQKRG | JHWKRG | SKS3 | 鍍硬鉻 |
硬度50-55HRC 鍍層硬度750HV |
| JHQS | JHWS | SUS303 | / | / |
| JHQCR | JHWCR | SUS440C | / | 硬度53HRC |
| Type | D公差 | D |
P 指定單位0.01mm |
L指定單位1mm |
E 指定單位0.1mm |
M 粗牙螺紋 |
e | D | m | H | (W) | ||
| 圓型 | 多棱型 | ||||||||||||
|
圓型 JHQKR JHQKRG JHQS JHQCR |
多棱型 JHWKR JHWKRG JHWS JHWCR |
M P G H |
6 | 4.00-7.00 | 6-12 | 9-12 | 2.0-10.0 | M3 | 5 | 6 | 2 | 8 | 1.8 |
| 8 | 5.00-9.00 | 8-16 | 12-16 | 2.0-12.0 | M5 | 8 | 8 | 3 | 11 | 2.2 | |||
| 8Z | M4 | 6 | 8 | 3 | 11 | 2.2 | |||||||
| 10 | 7.00-11.00 | 10-20 | 12-20 | 2.0-15.0 | M5 | 8 | 10 | 3 | 13 | 3 | |||
| 10Z | 8-16 | 12-16 | M4 | 6 | 10 | 3 | 13 | 3 | |||||
| 12 | 7.00-12.00 | 12-24 | 12-24 | 3.0-20.0 | M5 | 8 | 12 | 3 | 15 | 3.2 | |||
| 12Z | 8-18 | 12-18 | M4 | 6 | 12 | 3 | 15 | 3.2 | |||||
| 13 | 8.00-13.00 | 13-26 | 14-26 | M8 | 10 | 13 | 4 | 16 | 3.5 | ||||
| 13Z | 10-20 | 14-20 | M6 | 9 | 13 | 4 | 16 | 3.5 | |||||
| 16 | 13.00-16.00 | 16-32 | 16-32 | 5.0-20.0 | M8 | 12 | 16 | 4 | 19 | 4 | |||
| 16Z | 10-24 | 14-24 | M6 | 9 | 16 | 4 | 19 | 4 | |||||
| 20 | 16.00-20.00 | 20-40 | 20-40 | M8 | 12 | 20 | 5 | 23 | 5.5 | ||||
| 20Z | 12-30 | 18-30 | M6 | 9 | 20 | 5 | 23 |
5.5 |
|||||

掃一掃,關注我們