在線咨詢咨詢熱線:400-0755-965
咨詢客服,我們快速為您報價,或者提供技術支持!
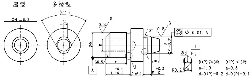
· 請按照選型步驟①-⑥選擇型式和參數后進行訂購。
訂貨舉例:型式(①Type.②D公差.③D)-④P-⑤L-⑥E
JHQKHRM6-P3-L8-E3
JHWKHRP6-P3-L8-E3
|
Type |
材質 |
表面處理 |
淬火硬度 |
|
|
圓型 |
多棱型 |
|||
|
JHQKR |
JHWKR |
SKS3 |
/ |
硬度50-55HRC |
|
JHQKRG |
JHWKRG |
SKS3 |
鍍硬鉻 |
硬度50-55HRC |
|
JHQS |
JHWS |
SUS303 |
/ |
/ |
|
JHQCR |
JHWCR |
SUS440C |
/ |
硬度53HRC |
·
·
|
Type |
D公差 |
D |
P |
L指定單位1mm |
E |
M |
e |
D |
m |
H |
(W) |
||
|
圓型 |
多棱型 |
||||||||||||
|
圓型 |
多棱型 |
M |
6 |
4.00-7.00 |
6-12 |
9-12 |
2.0-10.0 |
M3 |
5 |
6 |
2 |
8 |
1.8 |
|
8 |
5.00-9.00 |
8-16 |
12-16 |
2.0-12.0 |
M5 |
8 |
8 |
3 |
11 |
2.2 |
|||
|
8Z |
M4 |
6 |
8 |
3 |
11 |
2.2 |
|||||||
|
10 |
7.00-11.00 |
10-20 |
12-20 |
2.0-15.0 |
M5 |
8 |
10 |
3 |
13 |
3 |
|||
|
10Z |
8-16 |
12-16 |
M4 |
6 |
10 |
3 |
13 |
3 |
|||||
|
12 |
7.00-12.00 |
12-24 |
12-24 |
3.0-20.0 |
M5 |
8 |
12 |
3 |
15 |
3.2 |
|||
|
12Z |
8-18 |
12-18 |
M4 |
6 |
12 |
3 |
15 |
3.2 |
|||||
|
13 |
8.00-13.00 |
13-26 |
14-26 |
M8 |
10 |
13 |
4 |
16 |
3.5 |
||||
|
13Z |
10-20 |
14-20 |
M6 |
9 |
13 |
4 |
16 |
3.5 |
|||||
|
16 |
13.00-16.00 |
16-32 |
16-32 |
5.0-20.0 |
M8 |
12 |
16 |
4 |
19 |
4 |
|||
|
16Z |
10-24 |
14-24 |
M6 |
9 |
16 |
4 |
19 |
4 |
|||||
|
20 |
16.00-20.00 |
20-40 |
20-40 |
M8 |
12 |
20 |
5 |
23 |
5.5 |
||||
|
20Z |
12-30 |
18-30 |
M6 |
9 |
20 |
5 |
23 |
5.5 |
|||||
·

掃一掃,關注我們