在線咨詢咨詢熱線:400-0755-965
咨詢客服,我們快速為您報價,或者提供技術支持!
請按照選型步驟①-⑦選擇型式和參數后進行訂購。
訂貨舉例:型式(①Type.②D公差.③P公差.④D)-⑤P-⑥L-⑦F
JGEKHRGM5-P5.5-L6-F5
| Type | 材質 | 表面處理 | 硬度 |
| JGZKR | SKS3 | / | 58~61HRC |
| JGZKRG | SKS3 | 鍍硬鉻 |
58~61HRC
鍍層硬度750HV~
|
| JGZCR | SUS440C | / | 53HRC~ |
| JGZS | SUS303 | / | / |
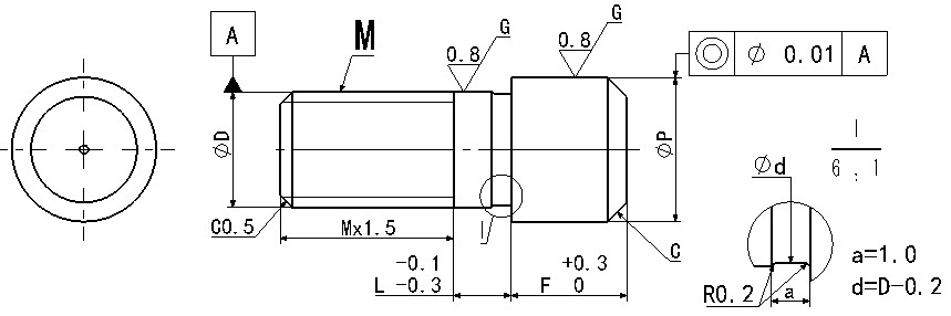
| Type |
P
指定單位0.01mm
|
L
指定單位1mm
|
F
指定單位0.1mm
|
M
粗牙螺紋
|
C | |||
| 型號 | D公差選擇 | P公差選擇 | D | |||||
|
JGZKR JGZKRG JGZCR JGZS |
M P G H |
M P G H S |
3 | 3.50~6.00 | 2~6 | 3.0~10.0 | M3 | 0.5 |
| 4 | 4.50~7.00 | 2~8 | 4.0~10.0 | M4 | 1 | |||
| 5 | 5.50~8.00 | 3~10 | M5 | |||||
| 6 | 6.50~10.00 | 4.0~12.0 | M6 | |||||
| 8 | 9.00~13.00 | 5~10 | 5.0~15.0 | M8 | 1.5 | |||
| 10 | 11.00~15.00 | 5~15 | 5.0~15.0 | M10 | 2 | |||
| 12 | 13.00~18.00 | 8~15 | 6.0~20.0 | M12 | ||||
| 16 | 17.00~25.00 | 8~20 | 7.0~20.0 | M16 | 3 | |||
| 20 | 22.00~30.00 | 10~20 | 10.0~20.0 |
M20 |
||||

掃一掃,關注我們