在線咨詢咨詢熱線:400-0755-965
咨詢客服,我們快速為您報價,或者提供技術支持!
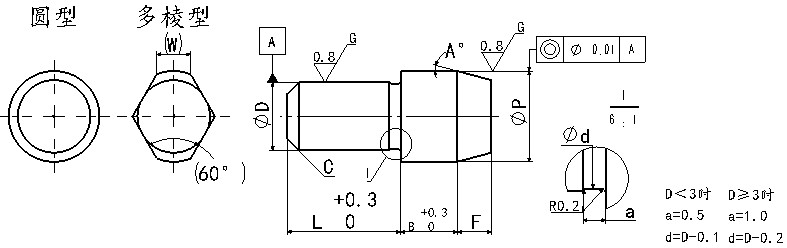
| Type | 相當材質 | 表面處理 | 硬度 | |
| 圓型 | 多棱型 | |||
| JAUKR | JAVKR | SKS3 | / | 58-61HRC |
| JAUKRG | JAVKRG | SKS3 | 鍍硬鉻 | 58-61HRC/鍍層硬度750HV |
| JAUCR | JAVCR | SUS440C | / | 53HRC |
| JAUS | JAVS | SUS303 | / | / |
| Type | D公差選擇 | P公差選擇 | D |
P 指定單位0.01mm |
L 指定單位1mm |
B 指定單位0.1mm |
F 指定單位0.1mm |
A 選擇 |
e | (W) | |||
| 圓型 | 多棱型 | ||||||||||||
|
JAUKR JAUKRG JAUCR JAUSS |
JAVKR JAVKRG JAVCR JAVSS |
M P G H |
M P G H S |
2 | 2.00~4.00 | 2~6 | 2.0~10.0 | 0.5~10.0 |
15 30 45 60 |
0.5 | 1.2 | ||
| 3 | 3.00~6.00 | 3~6 | 0.5 | 1.5 | |||||||||
| 4 | 4.00~7.00 | 4~8 | 1 | 1.8 | |||||||||
| 5 | 5.00~8.00 | 5~10 | 1 | 2.2 | |||||||||
| 6 | 6.00~10.00 | 6~12 | 2.0~12.0 | 1 | 3 | ||||||||
| 8 | 8.00~13.00 | 8~16 | 2.0~15.0 | 1.5 | 3.5 | ||||||||
| 10 | 10.00~15.00 | 10~20 | 3.0~20.0 | 2 | 4 | ||||||||
| 12 | 12.00~16.00 | 12~24 | 3.0~20.0 | 2 | 5 | ||||||||
| 13 | 13.00~18.00 | 13~26 | 5.0~20.0 | 2 | 5.5 | ||||||||
| 16 | 16.00~25.00 | 16~32 | 5.0~20.0 | 3 | 7 | ||||||||
| 20 | 20.00~30.00 | 20~40 | 5.0~20.0 | 3 | 9 | ||||||||
| D或P | D、P公差選擇 | ||||
| M | P | G | H | S | |
| m6 | p6 | g6 | h7 | / | |
| 2.00-3.00 |
+0.008 +0.002 |
+0.012 +0.006 |
-0.002 -0.008 |
0 -0.010 |
0 -0.01 |
| 3.01-6.00 |
+0.012 +0.004 |
+0.02 +0.012 |
-0.004 -0.012 |
0 -0.012 |
|
| 6.01-10.00 |
+0.015 +0.006 |
+0.024 +0.015 |
-0.005 -0.014 |
0 -0.015 |
|
| 10.01-18.00 |
+0.018 +0.007 |
+0.029 +0.018 |
-0.006 -0.017 |
0 -0.018 |
|
| 18.01-30.00 |
+0.021 +0.008 |
+0.035 +0.022 |
-0.007 -0.020 |
0 -0.021 |
|

掃一掃,關注我們