在線咨詢咨詢熱線:400-0755-965
咨詢客服,我們快速為您報價,或者提供技術支持!
| Type | 相當材質 | 表面處理 | 硬度 | |
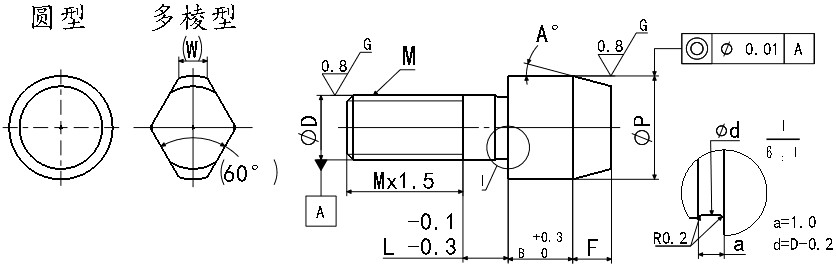
| 圓型 | 多棱型 | |||
| JANKR | JAMKR | SKS3 | / | 58-61HRC |
| JANKRG | JAMKRG | SKS3 | 鍍硬鉻 | 58-61HRC/鍍層硬度750HV |
| JANCR | JAMCR | SUS440C | / | 53HRC |
| JANS | JAMS | SUS303 | / | / |
| Type |
D 公差選擇 |
P 公差選擇 |
D |
P 指定單位0.01mm |
L 指定單位1mm |
B 指定單位0.1mm |
F 指定單位0.1mm |
A 選擇 |
M 粗牙螺紋 |
(W) | |
| 圓型 | 多棱型 | ||||||||||
|
JANKR JANKRG JANCR JANS |
JAMKR JAMKRG JAMCR JAMS |
M P G H |
M P G H S |
3 | 3.50~6.00 | 2~8 | 2.0~10.0 | 0.5~10.0 |
15 30 45 60 |
M3 | 1.5 |
| 4 | 4.50~7.00 | 3~10 | M4 | 1.8 | |||||||
| 5 | 5.50~8.00 | M5 | 2.2 | ||||||||
| 6 | 6.50~10.00 | 2.0~12.0 | M6 | 3 | |||||||
| 8 | 9.00~13.00 | 5~10 | 2.0~15.0 | M8 | 3.5 | ||||||
| 10 | 11.00~15.00 | 5~15 | 3.0~20.0 | M10 | 4 | ||||||
| 12 | 13.00~18.00 | 8~15 | M12 | 5 | |||||||
| 16 | 17.00~25.00 | 8~20 | 5.0~20.0 | M16 | 7 | ||||||
| 20 | 22.00~30.00 | 10~20 | M20 | 9 | |||||||
| D或P | D、P公差選擇 | ||||
| M | P | G | H | S | |
| m6 | p6 | g6 | h7 | / | |
| 2.00-3.00 |
+0.008 +0.002 |
+0.012 +0.006 |
-0.002 -0.008 |
0 -0.010 |
0 -0.01 |
| 3.01-6.00 |
+0.012 +0.004 |
+0.02 +0.012 |
-0.004 -0.012 |
0 -0.012 |
|
| 6.01-10.00 |
+0.015 +0.006 |
+0.024 +0.015 |
-0.005 -0.014 |
0 -0.015 |
|
| 10.01-18.00 | +0.018 | +0.029 | -0.006 | 0 | |
| 18.01-30.00 | +0.021 | +0.021 | -0.007 |
0 |
|

掃一掃,關注我們