在線咨詢咨詢熱線:400-0755-965
咨詢客服,我們快速為您報價,或者提供技術支持!
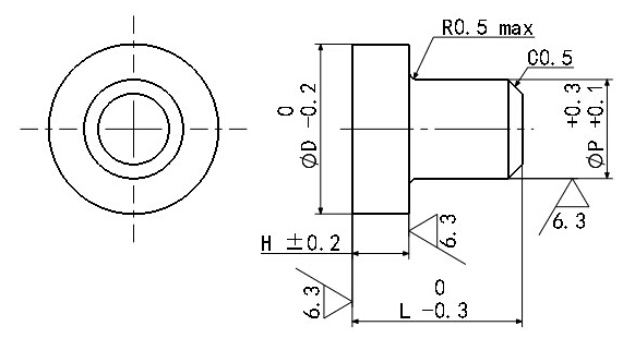
請按照選型步驟①-⑤選擇型式和參數后進行訂購。
訂貨舉例:型式(①Type.②D)-③P-④H-⑤L
WDSW8-P2-H4-L5
·
·
|
Type |
相當材質 |
顏色 |
|
WDSW |
聚縮醛 |
白色 |
|
WDSB |
黑色 |
|
|
WDSY |
尼龍(標準型) |
米黃 |
|
WDSN |
藍色 |
|
|
WDSE |
PEEK |
灰色 |
·
·
|
型號 |
D |
P |
H |
L |
|
WDSW |
6.0~10.0 (指定單位0.5mm) |
2.0~8.0 |
2.0~28.0 |
3.0~30.0 |
|
10.5~20.0 (指定單位0.5mm) |
4.0~18.0 |
|||
|
21~30 (指定單位1mm) |
10.0~28.0 |
|||
|
31~40 (指定單位1mm) |
15.0~38.0 |
2.0~38.0 |
5.0~40.0 |
|
|
41~50 (指定單位1mm) |
20.0~48.0 |
2.0~48.0 |
10.0~50.0 |
|
|
51~60 (指定單位1mm) |
30.0~58.0 |
·
!加工條件 !P≤D-2 !Px3≥L-H≥1 !P≤2.5時L≤10 !P=3.0時L≤20
·

掃一掃,關注我們