在線咨詢咨詢熱線:400-0755-965
咨詢客服,我們快速為您報價,或者提供技術支持!
請按照選型步驟①-⑥選擇型式和參數后進行訂購。
訂貨舉例:型式①Type.(②D公差.③P公差)-④D-⑤P-⑥T
WAPDTY5-NX-D10-P4.0-T1.0
| 型號 | 相當材質 | 表面處理 |
| WAPDTY | S45C | 四氧化三鐵保護膜 |
| WAPDT | - | |
| WAPDTN | 鍍鎳 | |
| WAPDS | SUS303 | - |
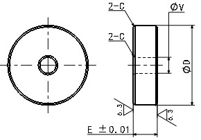
| 型號 | D公差 | P公差 | D |
P
P尺寸3以上指定單位0.5mm
|
T
指定單位0.1mm
|
|||||||||
|
SUS303材質的
T≥3.1
WAPDTY WAPDT WAPDTN WAPDS |
G
H
N
X
|
H
N
X
|
5.0~10.0
(指定單位0.5mm)
|
3.0~38.0
(P≤D-2)
D或P公差選擇了G或H時,適用D≤9
此時,P范圍如下表
|
1.0~2.9 | |||||||||
| 3.0~5.0 | ||||||||||||||
| 5.1~10.0 | ||||||||||||||
|
10.5~20.0
(指定單位0.5mm)
|
1.0~2.9 | |||||||||||||
| 3.0~5.0 | ||||||||||||||
| 5.1~10.0 | ||||||||||||||
|
21~30
(指定單位1mm)
|
1.0~2.9 | |||||||||||||
| 3.0~5.0 | ||||||||||||||
| 5.1~10.0 | ||||||||||||||
|
31~40
(指定單位1mm)
|
1.0~2.9 | |||||||||||||
| 3.0~5.0 | ||||||||||||||
| 5.1~10.0 | ||||||||||||||
|
41~50
(指定單位1mm)
|
2.0~2.9 | |||||||||||||
| 2.0~2.9 | ||||||||||||||
| 5.1~10.0 | ||||||||||||||
|
51~60
(指定單位1mm)
|
2.0~2.9 | |||||||||||||
| 3.0~5.0 | ||||||||||||||
|
5.1~10.0 |

掃一掃,關注我們