在線咨詢咨詢熱線:400-0755-965
咨詢客服,我們快速為您報價,或者提供技術支持!
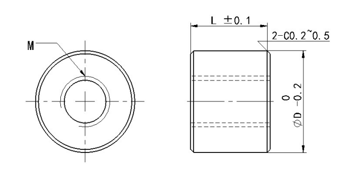
請按照選型步驟①-④選擇型式和參數后進行訂購。
訂貨舉例:型式(①Type.②D)-③M-④L
WAELTY6-M2-L4
| 型號 | 相當材質 | 表面處理 | ||
| L尺寸選擇型 | L尺寸指定型 | 尺寸自由指定型 | ||
| - | - | WAEFT | S45C | - |
| WAETY | WAELTY | WAEFTY | 四氧化三鐵保護膜 | |
| WAETN | WAELTN | WAEFTN | 無電解鍍鎳 | |
| - | - | WAEFAB | AL6061 | 本色陽極氧化 |
| WAES | WAELS | WAEFS | SUS303 | - |
| L尺寸指定型 |
M粗牙螺紋 選擇 |
L 指定單位0.5mm |
|
| 型號 | D | ||
| 6 | 2、3、4 | 3.0~20.0 | |
| 8 | 2、3、4 | ||
| WAELTY | 10 | 2、3、4、5 | |
| WAELTN | 12 | 4、5、6 | 3.5~20.0 |
| WAELS | 16 | 5、6、8 | |
| 20 | 6、8、10 | ||
| 30 | 8、10、12 | ||

掃一掃,關注我們