在線咨詢咨詢熱線:400-0755-965
咨詢客服,我們快速為您報價,或者提供技術支持!
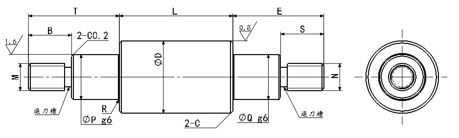
請按照選型步驟①-⑦選擇型式和參數后進行訂購。
訂貨舉例:型式(①Type.②D)-③L-④T-⑤P-⑥M-⑦E
PDECR8-L15-T5-P6-M3-E5
·
|
Type |
材質 |
硬度 |
表面處理 |
|
兩端臺階外螺紋型 |
|||
|
PDQCR |
SUS440C |
SUS440C 高頻淬火53HRC~ |
/ |
|
PDQCRG |
SUS440C |
鍍硬鉻 鍍層硬度HV750~ 鍍層厚度3μm以上
|
·
·
|
Type |
D(g6) |
L指定單位1mm |
M.N (粗牙螺紋) |
R |
C |
(Y) Max. |
||||
|
L |
T.E |
B.S |
P.Q |
|||||||
|
PDQCR |
8 |
-0.005 -0.014 |
25-790 |
10≤T≤Px5
10≤E≤Qx5 |
螺距x3+(g)≤B≤Mx3 螺距x3+(g)≤S≤Nx3 |
M<P<D N<Q<D |
6 |
0.3一下 |
0.5 |
800 |
|
10 |
6 |
800 |
||||||||
|
12 |
-0.006 -0.017 |
25-990 |
6、8、10 |
1000 |
||||||
|
13 |
6、8、10 |
1000 |
||||||||
|
15 |
6、8、10、12 |
1000 |
||||||||
|
16 |
25-1190 |
6、8、10、12 |
1200 |
|||||||
|
20 |
-0.007 -0.020 |
6、8、10、12、16 |
1.0 |
1200 |
||||||
·
!必須滿足T-B(E-S)≥2

掃一掃,關注我們